Looking up part numbers for a 4JJ1TYSB03 rebuild or repair? This 84-page catalog (OEM #P-TB290EAC) breaks down every component in the TB290-compatible diesel across 29 system groups: cylinder block, crankshaft and piston, turbocharger, fuel injection, cooling, electrical controls, and more. Exploded views pair directly with numbered parts lists for fast cross-referencing, so you order exactly what fits. Gasket dimensions are called out to the tenth of a millimeter (head gasket at 1.05 mm thick, sensor gasket ID 14.2 mm), and the crankshaft gear is spec'd at 44 teeth. Two part numbers look close enough? The diagrams sort that out before you pull the wrong injector bracket off the shelf. Bookmarked PDF lets you jump to any system on your phone or tablet, right at the bench.
What's Inside This Isuzu 4JJ1TYSB03 Parts Manual
| System | Pages |
|---|---|
| Engine Gasket Kit | 10-13 |
| Cylinder Head | 14-19 |
| Cylinder Block | 20-23 |
| Oil Pan and Level Gauge | 24-25 |
| Camshaft and Valve | 26-29 |
| Crankshaft, Piston and Flywheel | 30-31 |
| Timing Gear Case and Flywheel Housing | 32-33 |
| Engine Mounting | 34-35 |
| Inlet Manifold | 36-37 |
| Exhaust Manifold | 38-39 |
| Ventilation System | 40-41 |
| Water Pump and Corrosion Resistor | 42-43 |
| Thermostat and Housing | 44-45 |
| Water Piping; Engine | 46-47 |
| Fan and Fan Belt | 48-49 |
| Turbocharger System | 50-51 |
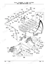
| Fuel Injection System | 52-55 |
| Fuel Filter and Bracket | 56-57 |
| Oil Cooler and Oil Filter | 58-59 |
| Oil Pump and Oil Strainer | 60-61 |
| Oil and Vacuum Piping; Engine | 62-63 |
| Emission Piping | 64-65 |
| Engine Electrical Control Parts | 66-69 |
| Starter | 70-71 |
| Generator | 72-73 |
| Wiring Harness and Fuse | 74-75 |
| Fixing Parts; Wiring Harness | 76-77 |
| Switch and Relay; Instrument Panel | 78-79 |
| Water Sedimenter; Fuel | 80-84 |
Quick Reference Specifications
| Specification | Value | Page |
|---|---|---|
| Crankshaft Gear Teeth Count | 44 teeth | p. 31 |
| Sensor Gasket Dimensions | ID=14.2 OD=19.2 | p. 63 |
| Head Gasket Thickness (Grade 1) | 1.05 mm | p. 11 |
| Oil Filler Gasket Dimensions | ID=32 mm, OD=40 mm | p. 15 |
| Glow Plug Voltage | 12V | p. 17 |
| Crankshaft Pulley Outer Diameter | 147 mm | p. 31 |
| Thermostat Opening Temperature | 82°C | p. 45 |
| Cooling Fan Specifications | 8 blades, 550 mm OD | p. 49 |
| Cooling Fan Belt Length | 996 mm | p. 49 |
| Starter Motor Power | 2.5 KW | p. 67 |
| Generator Output Current | 110A | p. 67 |
| Washer (PL) Dimensions | ID=6.4 mm, OD=18 mm | p. 69 |
Isuzu 4JJ1TYSB03 Common Problems This Manual Covers
Isuzu 4JJ1TYSB03 turbocharger replacement needed, can't identify correct part numbers from exploded view p. 50
Open the turbocharger system exploded view on page 50 for the complete assembly breakdown. Cross-reference each component against the parts number list on page 51 to identify seals, gaskets, and the cartridge assembly individually. Verify your engine serial number against the model compatibility chart before ordering, as turbo specs vary across production runs.
Manual Section: Turbocharger SystemNeed correct injector seal and nozzle part numbers after rough idle and black smoke diagnosis p. 52
Locate the fuel injection system exploded view starting on page 52 for the full injector assembly breakdown, including individual seals, nozzles, and retaining hardware. Match each component to its listed part number on the adjacent parts list. Also review the fuel filter and bracket section on page 56 for related O-rings and gaskets that should be replaced at the same time.
Manual Section: Fuel Injection SystemOverheating engine, need to identify water pump and thermostat part numbers for replacement p. 42
Start with the water pump and corrosion resistor exploded view on page 42 to identify the pump assembly, gaskets, and impeller components by part number. Confirm the thermostat housing parts on page 44; the thermostat opens at 82°C, so make sure you order the correct temperature rating. Cross-reference the fan and belt section on page 48 for the drive belt (996 mm length) if it shows wear.
Manual Section: Water Pump and Corrosion ResistorTiming chain stretch at high mileage, can't locate timing gear case components in parts list p. 32
Pull up the timing gear case and flywheel housing exploded view on page 32 for the chain, tensioner, guides, and related gaskets. The crankshaft gear (44 teeth) appears in the crankshaft assembly diagram on page 30. Verify the camshaft sprocket and related components in the camshaft and valve section starting on page 26 to confirm you order all matched parts for the timing set.
Manual Section: Timing Gear Case and Flywheel HousingSensor failure after water ingress, need replacement sensor and gasket part numbers p. 66
Reference the engine electrical control parts section on page 66 for the full sensor breakdown including the bank angle and chemical sensors. The sensor gasket measures ID 14.2 mm, OD 19.2 mm as listed on page 63. Inspect the wiring harness section on page 74 for damaged connectors or corroded terminals that may need replacement alongside the sensors.
Manual Section: Engine Electrical Control PartsFuel system contamination, need fuel filter, sedimenter, and bracket part numbers for full replacement p. 56
Refer to the fuel filter and bracket exploded view on page 56 for the filter element, housing seals, and mounting bracket part numbers. Review the water sedimenter section starting on page 80 for the sedimenter body, drain valve, and internal screen components. Use the sedimenter index on page 82 to quickly locate specific sub-components by part number without scrolling through the full assembly diagram.
Manual Section: Fuel Filter and BracketFrequently Asked Questions
What format is this Isuzu 4JJ1TYSB03 manual in?
You get an instant download of the full 84-page searchable Parts Catalog in PDF format. Works on any device, whether that's a laptop at your desk or a phone out in the field.
Can I print this Isuzu 4JJ1TYSB03 manual?
Absolutely. The PDF is DRM-free, so print whatever sections you need for the shop. Standard letter or A4 paper works fine.










Reviews
There are no reviews yet.