Factory Service Repair Manual 47531609 For New Holland T4.85 T4.95 T4.105 Tractor. Tons of illustrations, instructions, diagrams for step by step remove and install, assembly and disassembly, service, maintenance, inspection, repair, troubleshooting, tune-ups.
PDF Manual:
- Instant download – You will receive the link for download on your email immediately after payment.
- Lifetime PDF and access to download (by request)
- Compatible with Windows, Mac, IOS, Android and other systems
- Searchable Text and Built-in index for instant information search
- Bookmarks
- Printable – pages or entire manual
- Zoomable – detailed exploded diagrams, picture
Models
New Holland
T4.85
T4.95
T4.105
Contents
-INTRODUCTION
-ENGINE
-CLUTCH
-TRANSMISSION
-FOUR-WHEEL DRIVE (4WD) SYSTEM
-FRONT AXLE SYSTEM
-REAR AXLE SYSTEM
-POWER TAKE-OFF (PTO)
-BRAKES AND CONTROLS
-HYDRAULIC SYSTEMS
-HITCHES, DRAWBARS, AND IMPLEMENT COUPLINGS
-STEERING
-WHEELS
-CAB CLIMATE CONTROL
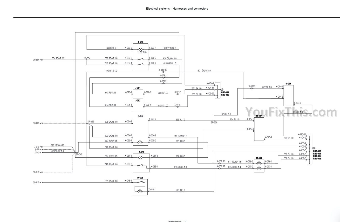
-ELECTRICAL SYSTEMS
-FAULT CODES
-FRONT LOADER AND BUCKET
-PLATFORM, CAB, BODYWORK, AND DECALS








