Factory Service Repair Manual TM138119 For John Deere Select Series™ Riding Lawn Tractors. Tons of illustrations, instructions, diagrams for step by step remove and install, assembly and disassembly, service, maintenance, inspection, repair, troubleshooting, tune-ups.
PDF Manual:
Instant download – You will receive the link for download on your email immediately after payment.
Lifetime PDF and access to download (by request)
Compatible with Windows, Mac, IOS, Android and other systems
Searchable Text and Built-in index for instant information search
Bookmarks
Printable – pages or entire manual
Zoomable – detailed exploded diagrams, picture
Models
John Deere
Select Series™ Tractors
X330, X350, X354, X370, X380, X384, X390, X394
Contents
Section —General Information
—Safety
—General Specifications
—O-Ring Seal Service Recommendations
—Fuels and Lubricants
—Machine Specifications
Section —Engine Repair
—Engine J
—Engine FSV
—Engine FSV
Section —Electrical Repair
—Wiring Harness
Section —Power Train Repair
—Power Train
Section —Steering and Brake Repair
—Steering
—Brakes
Section —Hydraulic Repair
—Hydraulics
Section —Attachment Repair
—Attachments
Section —Operator’s Station Repair
—Operator’s Station
Section —Miscellaneous Repair
—Miscellaneous
Section —Engine Operation, Tests, and Adjustments
— Component Location
—Theory of Operation
—Diagnosis
—Tests and Adjustments J
—Tests and Adjustments FSV
—Tests and Adjustments FSV
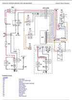
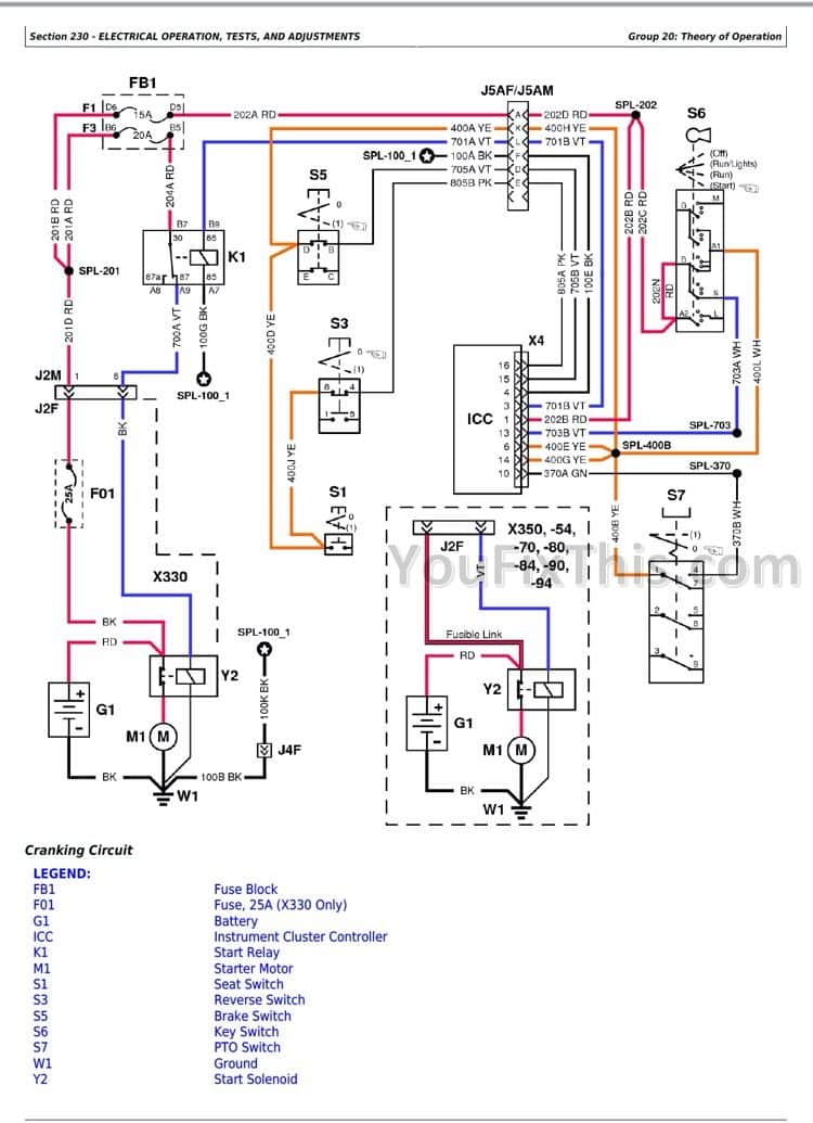
Section —Electrical Operation, Tests, and Adjustments
—Component Location
—Theory of Operation
—Schematics
—Diagnosis
—Tests and Adjustments
—Connectors
—DTCs, ICC
—Electronic Control Units
Section —Power Train Operation, Tests, and Adjustments
—Component Location
—Theory of Operation
—Diagnosis
—Tests and Adjustments
Section —Steering and Brake Operation, Tests, and Adjustments
—Component Location
—Theory of Operation
—Diagnosis
—Tests and Adjustments
Section —Hydraulic System Operation, Tests, and Adjustments
—Component Location
—Theory of Operation
—Schematics
—Diagnosis
—Tests and Adjustments
Section —Attachment Operation, Tests, and Adjustments
—Component Location
—Diagnosis
—Tests and Adjustments
Section —Miscellaneous Operation, Tests, and Adjustments
—Tests and Adjustments
Section —Service Tools and Kits
—Service Tools











