Factory Operation and Test Technical Manual TM13208X19 For John Deere 250G Excavator. Detailed step by step illustrations, instructions, diagrams for Systems Diagnosis, System Theory of Operation, Performance Testing, Tests and Adjustments, Operational Check, Operation, Unit Locations and Identification, Diagnostic Codes, Schematics and lot of other useful information.
PDF Manual:
Instant download – You will receive the link for download on your email immediately after payment.
Lifetime PDF and access to download (by request)
Compatible with Windows, Mac, IOS, Android and other systems
Searchable Text and Built-in index for instant information search
Bookmarks
Printable – pages or entire manual
Zoomable – detailed exploded diagrams, picture
Models
250GLC
(Pin 1FF250GX_ _F608713-)
Contents
Section 9000—General Information
Group 01—Safety
Section 9001—Diagnostics
Group 10—Main Controller (MCZ) Diagnostic Trouble Codes
Group 20—Engine Control Unit (ECU) Diagnostic Trouble Codes
Group 30—Monitor Controller (DSZ) Diagnostic Trouble Codes
Group 40—Information Controller (ICZ) Diagnostic Trouble Codes
Group 50—Air Conditioner Controller (ACF) Diagnostic Trouble Codes
Section 9005—Operational Checkout Procedure
Group 10—Operational Checkout Procedure
Section 9010—Engine
Group 05—Theory of Operation
Group 15—Diagnostic Information
Group 20—Adjustments
Group 25—Tests
Section 9015—Electrical System
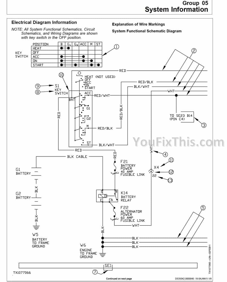
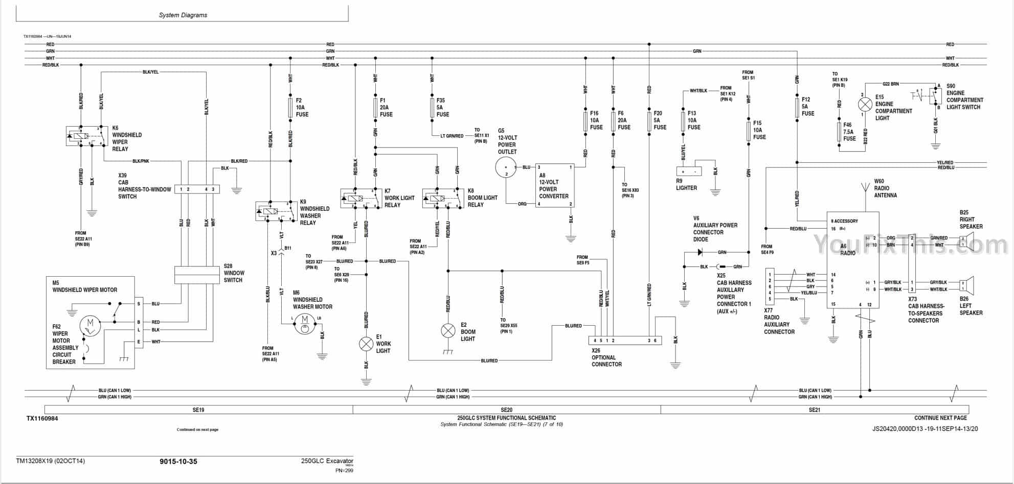
Group 05—System Information
Group 10—System Diagrams
Group 15—Sub-System Diagnostics
Group 16—Monitor Operation
Group 20—References
Section 9020—Power Train
Group 05—Theory of Operation
Group 15—Diagnostic Information
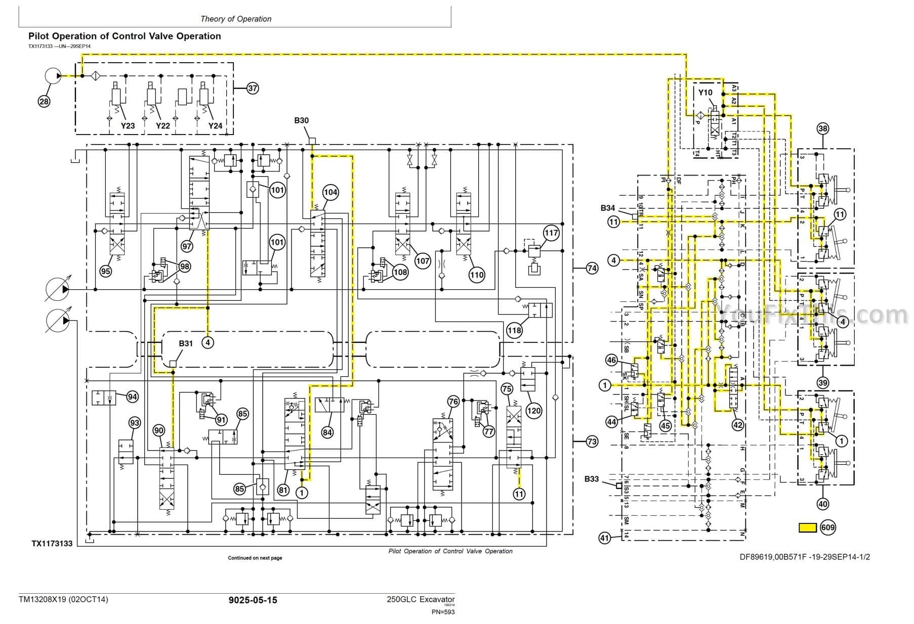
Section 9025—Hydraulic System
Group 05—Theory of Operation
Group 15—Diagnostic Information
Group 25—Tests
Section 9031—Heating and Air Conditioning
Group 05—Theory of Operation
Group 15—Diagnostic Information
Group 25—Tests
Section 9900—Dealer Fabricated Tools
Group 99—Dealer Fabricated Tools










