Factory Service Repair Manual TM408519 For John Deere 6110M – 6145M Tractors. Tons of illustrations, instructions, diagrams for step by step remove and install, assembly and disassembly, service, maintenance, inspection, repair, troubleshooting, tune-ups. Fully digital version with bookmarks searchable text and scalable images.
PDF Manual:
Instant download – You will receive the link for download on your email immediately after payment.
Lifetime PDF and access to download (by request)
Compatible with Windows, Mac, IOS, Android and other systems
Searchable Text and Built-in index for instant information search
Bookmarks
Printable – pages or entire manual
Zoomable – detailed exploded diagrams, picture
Models
John Deere
6110M
6120M
6130M
6135M
6140M
6145M
Contents
-Foreword
-Safety
Safety Measures
-General
General Information – Specifications
General Information – Tests and Adjustments
General Information – Predelivery Inspection
-Engine
Engine Removal and Installation of Components
Engine Exhaust Cleaning System
-Fuel, Air-Intake, Cooling, and Exhaust System
Fuel System
Cooling System
Exhaust System
-Electrical System
Electrical System – Connectors
Electrical System – Charging Circuit
Electrical System – Starter Circuit
Electrical System – Headlights
-Electronic Control Units
Removal and Installation of Control Units
Terminating Resistors, Removal and Installation
-Drive Train (without Transmission)
Drive Train (without Transmission) – Removal and Installation of Components
Drive Train (without Transmission) – U.J. Shafts and Torsion Dampers
Drive Train (without Transmission) – Mechanical Front-Wheel Drive
Drive Train (without Transmission) – Differential
Drive Train (without Transmission) – Hydraulic Pump Drive
Drive Train (without Transmission) – Final Drives
Drive Train (without Transmission) – Rear PTO Options
Drive Train (without Transmission) – Front PTO
Drive Train (without Transmission) – Front Implement Drive
-PowrQuad Transmission
PowrQuad Transmission – Removal and Installation of Components
PowrQuad Transmission – Transmission Shift Control
PowrQuad Transmission – PowrQuad Module
PowrQuad Transmission – Creeper Transmission
PowrQuad Transmission – Option Transmission
PowrQuad Transmission – Range Transmission
-Steering
Steering – Hydrostatic Steering
Steering – AutoTrac
-Brakes
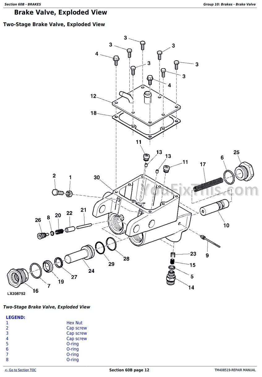
Brakes – Brake Valve
Brakes – Rear Brakes
Brakes – Hydraulic Trailer Brake
Brakes – Air Brake System
Brakes – Park Brake
-Hydraulic System
Hydraulic System – General Information
Operator Controls
Hydraulic System – Oil Filter, Additional Oil Reservoir, Charge Pump, and Hydraulic Pump
Hydraulic System – Priority 1 to 3 Control Blocks
Hydraulic System – Rear Hitch
Hydraulic System – Selective Control Valves (SCV) and Couplers
-Machine-Specific Systems
Machine-Specific Systems – Removal and Installation of Components
Machine-Specific Systems – Main Frame
Machine-Specific Systems – Fenders, Front Wheels, and Rear Wheels
Machine-Specific Systems Trailer Hitch and Swinging Drawbar
Machine-Specific Systems – Hydraul. Wagon Hitch
-Suspension Systems
Suspension Systems – Suspended Front-Wheel Drive Axle
Suspension Systems – Mechanical Cab Suspension
-Operators Cab
Removal and Installation of Components
Operators Cab – Operation and Control Devices
Operators Cab – Air-Conditioning System
Operators Cab – Seats
Operators Cab – Operators Cab
-Special Tools
General Information










