Factory Technical Repair Manual TM100619 For John Deere 3032E, 3036E, 3038E Compact Utility Tractors.
PDF Manual:
Instant download – You will receive the link for download on your email immediately after payment.
Lifetime PDF and access to download (by request)
Compatible with Windows, Mac, IOS, Android and other systems
Searchable Text and Built-in index for instant information search
Bookmarks
Printable – pages or entire manual
Zoomable – detailed exploded diagrams, picture
Models
John Deere
3032E
3036E
3038E
010001-609999, 010001-301619, 301620-609999
Contents
-Foreword
-Safety
Safety
-Specifications and Information
General Specifications
Fuel and Lubricants
Serial Number Locations
-Engine Diesel
Specifications
Component Location
Theory of Operation
Diagnostics
Tests and Adjustments
Repair
-Electrical
General Information
Specifications
Component Location
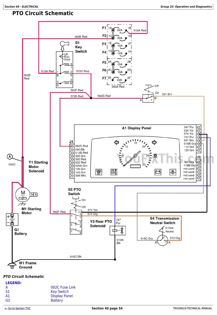
Schematics and Harnesses
Operation and Diagnostics
Tests and Adjustments
Repair
-Export Electrical
Component Location
Schematics and Harnesses
Operation and Diagnostics
-Power Train
Specifications
Component Location
Theory of Operation
Diagnostics
Troubleshooting
Tests and Adjustments
Repair
-Hydraulics
Specifications
Component Location and Schematics
Theory of Operation
Troubleshooting
Tests and Adjustments
Repair
-Steering
Specifications
Component Location
Theory of Operation
Diagnostics
Tests and Adjustments
Repair
-Brakes
Specifications
Component Location
Theory of Operation
Diagnostics
Tests and Adjustments
Repair
-Miscellaneous
Specifications
Component Location
Repair







