Factory Service Repair Manual TM400619 For John Deere 6830, 6930 Tractors. Detailed step by step illustrations, instructions, diagrams for troubleshooting, remove and install, disassembly, installation, as well as machine specifications, tightening references.
PDF Manual:
Instant download – You will receive the link for download on your email immediately after payment.
Lifetime PDF and access to download (by request)
Compatible with Windows, Mac, IOS, Android and other systems
Searchable Text and Built-in index for instant information search
Bookmarks
Printable – pages or entire manual
Zoomable – detailed exploded diagrams, picture
Models
John Deere
6830
6930
Contents
Section —Safety
—Safety Measures
Section —General Information
—Specifications
—Tests and Adjustments
—Predelivery Inspection
Section —Engine
—Removal and Installation of Components
Section —Fuel, Air Intake, Cooling and Exhaust System
—Removal and Installation of Components
—Speed Control
—Fuel System
—Air Intake System
—Cooling System
—ColdWeather Starting Aids
—Exhaust System
Section —Electrical System
—Connector Information
—Charging Circuit
—Starting Circuit
—Electrical Components
Section —Electronic Control Units
—Removal and Installation of Electronic
Control Units
—Removal and Installation of Terminating
Resistors
Section —PowrQuad Transmission
—Removal and Installation of Components
—Transmission Shift Unit
—PowrQuad Module
—Creeper Transmission
—Range Transmission
Section —Drive Train (without Transmission)
—Removal and Installation of Components
—U.J. Shaft and Torsion Damper
—FrontWheel Drive Clutch
—Differential
—Hydraulic Pump Drive
—Final Drives
—Rear PTO
—Front Implement Drive
Section —Steering and Brakes
—Hydrostatic Steering
—Brake Valve
—Rear Brakes
—Handbrake
—Hydraulic Trailer Brake
—AirBrake System
Section —Hydraulic System
—Operator Controls
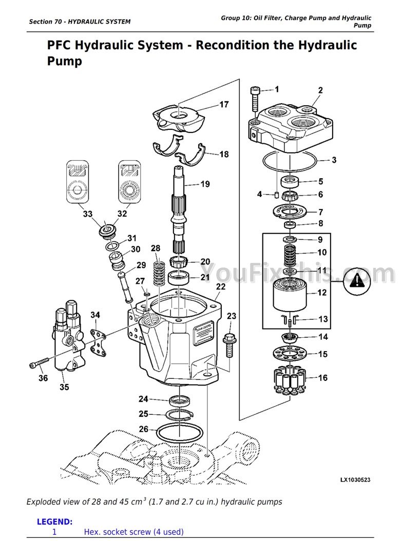
—Oil Filter, Charge Pump and Hydraulic Pump
—Valves
—Hitch
—Selective Control Valves and Couplers
—Independent Control Valves (ICVs)
Section —Miscellaneous
—Removal and Installation of Components
—Main Frame
—Front Wheels, Rear Wheels and Fenders
—Trailer Mounting and Swinging Drawbar
—Triple Link Suspension (TLS) of FrontWheel
Drive Axle
D—Triple Link Suspension (TLS) of
FrontWheel Drive Axle D Animation
—PickUp Hitch
Section —Operator’s Cab
—Removal and Installation of Components
—Controls and Instruments
—Air Conditioning System
—Heating System
—Seats
—Operator’s Cab
Section —Special Tools
—Special Tools (DealerFabricated)
—Special Tools (Available as Spare Parts)









