Factory Service Repair Manual For John Deere X740 X744 X748 X749 Tractors. Detailed step by step illustrations, instructions, diagrams for Systems Diagnosis, System Theory of Operation, Performance Testing, Tests and Adjustments, Operational Check, Operation, Unit Locations and Identification, Diagnostic Codes, Schematics and lot of other useful information for repair.
PDF Manual:
Instant download – You will receive the link for download on your email immediately after payment.
Lifetime PDF and access to download (by request)
Compatible with Windows, Mac, IOS, Android and other systems
Searchable Text and Built-in index for instant information search
Bookmarks
Printable – pages or entire manual
Zoomable – detailed exploded diagrams, picture
Models
John Deere
X740
X744
X748
X749
Contents
-Foreword
-Safety
Safety
-Specifications
Fastener Torques
O-Ring Seal Service Recommendations
General Information
Coolant
Serial Number Locations
-Engine Diesel
Specifications
Theory of Operation
Component Location
Diagnostics
Tests and Adjustments
Repair
Starting Motor
-Electrical
General Information
Specifications
Component Location
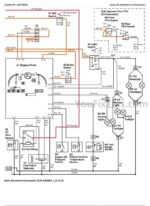
Schematics and Harnesses
Operation and Diagnostics
Tests and Adjustments
Repair
-Power Train
Specifications
Component Location
Theory of Operation
Diagnostics
Tests and Adjustments
Repair
MFWD Repair
HFWD Repair
-Hydraulics
Specifications
Schematics 2WD and MFWD
Schematics – HFWD
Component Location
Theory of Operation
Diagnostics
Tests and Adjustments
Repair
-Steering
Specifications
Component Location
Theory of Operation
Diagnostics
Tests and Adjustments
Repair
-Brakes
Specifications
Component Location
Theory of Operation
Diagnostics
Tests and Adjustments
Repair
-Attachments
Specifications
Diagnostics
Tests and Adjustments
Repair
-Miscellaneous
Specifications
Repair









