Factory Diagnosis and Repair Technical Manual TM113119 For John Deere Z625 Z645 Z655 Z665 Mowers. Detailed step by step illustrations, instructions, diagrams for Systems Diagnosis, System Theory of Operation, Performance Testing, Tests and Adjustments, Operational Check, Operation, Unit Locations and Identification, Diagnostic Codes, Schematics and lot of other useful information. Includes electrical wiring diagrams and a lot of other useful information for repair and servicing.
PDF Manual:
pages: 672
Instant download – You will receive the link for download on your email immediately after payment.
Lifetime PDF and access to download (by request)
Compatible with Windows, Mac, IOS, Android and other systems
Searchable Text and Built-in index for instant information search
Bookmarks
Printable – pages or entire manual
Zoomable – detailed exploded diagrams, picture
Models
John Deere
Z625, Z645, Z655, Z665
EZtrak™ Mower
Contents
General Information
Safety
General Specifications
Fuel and Lubricants
Machine Specifications
Engine Repair B&S
Repair Engine Twin Cylinder
Engine Repair Kawasaki
Engine Repair
Starting Motor Repair
Electrical Repair
Component Location
Wiring Harness
Power Train Repair
Component Location
Repair
Attachments Repair
Component Location
Repair
Miscellaneous Repair
Component Location
Repair
Engine Diagnosis, Tests, and Adjustments B&S
Diagnosis
Tests and Adjustments
Engine Diagnosis, Tests, and Adjustments Kawasaki
Component Location
General Information
Theory of Operation
Diagnosis
Tests and Adjustments
Electrical Diagnosis, Tests, and Adjustments
Theory of Operation
Diagnosis
Tests and Adjustments
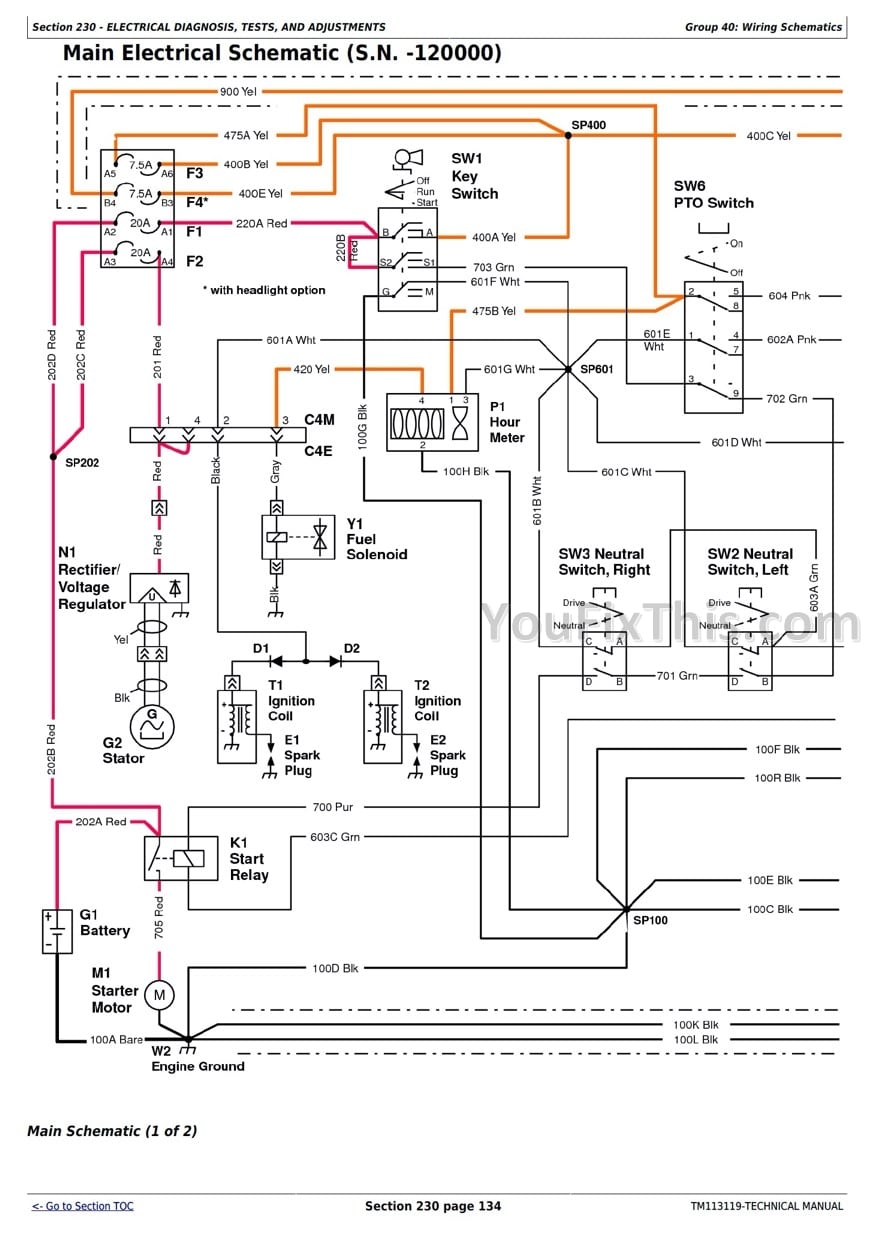
Wiring Schematics
Connector Information
Power Train Diagnosis, Tests, and Adjustments
Theory of Operation
Diagnosis
Tests and Adjustments
Attachments Diagnosis, Tests, and Adjustments
Diagnosis
Tests and Adjustments
Miscellaneous Tests and
Adjustments
Tests and Adjustments
Service Tools and Kits
Service Tools






