Factory Diagnostic and Repair Manual TM2147 For John Deere Front Mower 1420, 1435, 1445, 1545, 1565. Digital pdf format, searchable and bookmarked. Tons of illustrations, instructions, diagrams for step by step remove and install, assembly and disassembly, service, maintenance, inspection, repair, troubleshooting, tune-ups, systems diagnosis, system theory of operation, performance testing, tests and adjustments, operational check, operation, unit locations and identification, diagnostic codes, schematics and lot of other useful information.
PDF Manual:
Instant download – You will receive the link for download on your email immediately after payment.
Lifetime PDF and access to download (by request)
Compatible with Windows, Mac, IOS, Android and other systems
Searchable Text and Built-in index for instant information search
Bookmarks
Printable – pages or entire manual
Zoomable – detailed exploded diagrams, picture
Models
John Deere
1420 Series II
1435 Series II
1445 Series II
1545 Series II
1565 Series II
Contents
Section —Safety
—Safety
Section —Specifications and Information
—Specifications
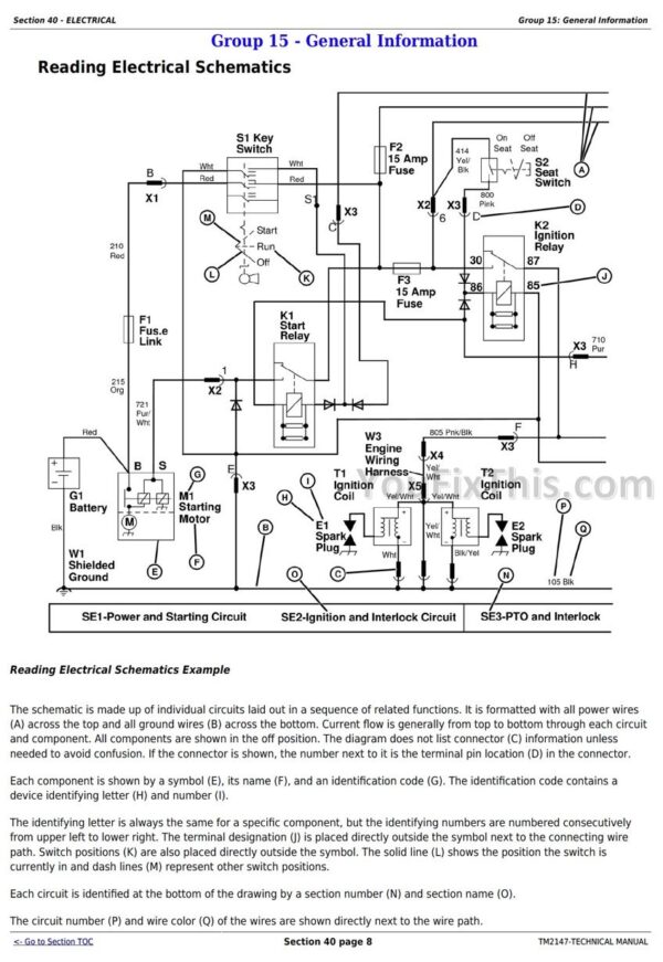
—General Information
—Interlock System
Section —Engine
—Specifications
—Diagnostics
—Tests and Adjustments
—Repair
Section —Diesel Engine (3TNE74, 3TNV76, 3TNV80)
—Specifications
—Diagnostics
—Tests and Adjustments
—Repair
Section A—Diesel Engine (3TNV82A, 3TNV88)
—Specifications
—Theory of Operation
—Diagnostics
—Tests and Adjustments
—Repair
Section —Electrical
—Specifications
—Tools and Materials
—General Information
—Component Location
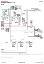
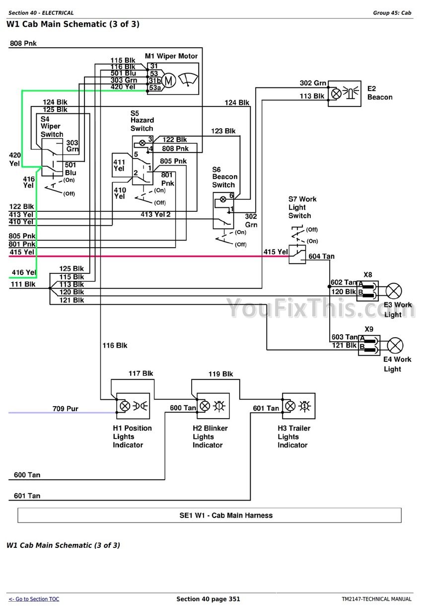
—Schematics and Harnesses
—Operation and Diagnostics
—Tests and Adjustments
—Repair
—Cab
—Cab Blower and Air Conditioner
—MCS Plus
Section —Power Train
—Specifications
—Component Location
—Diagnostics
—Tests and Adjustments
—Repair
Section —Power Train ( Speed)
—Specifications
—Tools and Materials
—Component Location
—Diagnostics
—Tests and Adjustments
—Repair
Section —Hydraulics
—Specifications
—Tools and Materials
—Component Location
—Schematics
—Theory of Operation
—Diagnostics
—Tests and Adjustments
—Repair
Section —Steering
—Specifications
—Component Location
—Theory of Operation
—Diagnostics
—Tests and Adjustments
—Repair
Section —Brakes
—Specifications
—Component Location
—Theory of Operation
—Brake System Diagnostics
—Tests and Adjustments
—Repair
Section —Attachments
—Specifications
—Diagnostics
—Tests and Adjustments
—Repair
Section —Miscellaneous
—Specifications
—Tools and Materials
—Component Location
—Theory of Operation
—Air Conditioning Diagnostics
—Tests and Adjustments
—Repair









