Factory Service Repair Manual TM408419 For John Deere 6110M—6195M Tractors. Detailed step by step illustrations, instructions, diagrams for Systems Diagnosis, System Theory of Operation, Performance Testing, Tests and Adjustments, Operational Check, Operation, Unit Locations and Identification, Diagnostic Codes, Schematics and lot of other useful information. This manual is used by dealers.
PDF Manual:
Instant download – You will receive the link for download on your email immediately after payment.
Lifetime PDF and access to download (by request)
Compatible with Windows, Mac, IOS, Android and other systems
Searchable Text and Built-in index for instant information search
Bookmarks
Printable – pages or entire manual
Zoomable – detailed exploded diagrams, picture
Models
John Deere
6110M
6120M
6125M
6130M
6135M
6140M
6145M
6155M
6175M
6195M
Contents
Foreword
General
-Safety Measures
-General References
Diagnostic Trouble Codes
-AIC Control Software
-BLC Control Software
-CCU Control Software
-CRU Control Software
-Control software DOI
-ECU Control Software (Final Tier 4)
-EIC Control Software
-FCC Control Software
-HCC Control Software
-ICA Control Software
-JDL Control Software
-OIC Control Software
-PDU Control Software
-PTF Control Software
-PTQ Control Software
-PTR Control Software
-RPT Control Software
-SCO Control Software
-SFA Control Software
-SMB Control Software
-TEC Control Software
-TEI Control Software
-TIH Control Software
-TIQ Control Software
-VTV Control Software
-XMC Control Software
-XSC Control Software
Observable Symptoms and System Diagnostics
-Engine
-Fuel, Air Intake, and Cooling Systems
-Electrical System
-Electronic Control Units
-Drive Train (without Transmission)
-PowrReverser Transmission
-PowrQuad Transmission
-Steering
-Brakes
-Hydraulic System
-Suspension Systems
-Operators Cab
Engine
-Exhaust Aftertreatment System, Theory of Operation
-Tests and Adjustments
Fuel, Air Intake and Cooling Systems
-General Information
-Fuel System, Theory of Operation
-Air Intake System, Theory of Operation
-Cooling System, Theory of Operation
-Cold-Weather Starting System, Theory of Operation
-Fuel, Air Intake, and Cooling Systems – Tests and Adjustments
Fuel, Air Intake, and Cooling Systems – Component Information
-Fuel System, Component Information
-Cooling System, Component Information
-Charge Air Circuit, Component Information
-Cold Start System, Component Information
Electrical System
-Electrical System – General Information
-Electrical System – Theory of Operation
-30A – Electrical System – Schematics
-50AA – Starter Motor and Charging Circuit
-50AC – External Cold Start Aid
-50BA – Lights
-50BB – Worklights
-50BC – Dome Light and Access Step Light
-50BD – Turn-Signal Lights
-50CA – Operators Seat
-50CB – Acoustic Alarms
-50CC – Windshield and Rear Window Wipers
-50CD – Heater/Ventilation/Air-Conditioning System
-50CE – Sockets
-50CF – Radio
-50CH – Accessories
-50EA – TEC Control Software and Implement CAN Bus
-50EB – AutoTrac
-50EC – Radar
-50ED – JDLink Service ADVISOR Remote
-50FA – Electronic Engine Control
-50FB – Immobilizer
-50FC – Fuel System
-50GA – PowrQuad Transmission
-50GD – CommandQuad Transmission
-50GE – PowrReverser Transmission
-50GH – Differential Lock
-50GI – Front-Wheel Drive
-50GJ – Rear PTO
-50GK – Front PTO
-50GL – Brakes
-50HA – Rear Hitch
-50HB – E-SCV Selective Control Valves
-50HD – Suspended Front-Wheel Drive Axle
-50HH – Front Loader
-50IA – Display
-50ID – LIN Bus Modules
-50JA – Bus Systems
-50X – Ground Connections
-50ZZ – Electronic Control Units
Electronic Control Units
-Electronic Control Units – General Information
-Electronic Control Units – Interactive Tests and Calibrations
-Electronic Control Units – Information on Programming
-Electronic Control Units – Theory of Operation
-Immobilizer Control Unit
-AIC Control Software
-BLC Control Software
-CCU Control Software
-DOI Control Software
-ECU Control Software (Final Tier 4)
-EIC Control Software
-FCC Control Software
-GM1 Control Software
-GM2 Control Software
-HCC Control Software
-ICA Control Software
-JDL Control Software
-OIC Control Software
-PDU Control Software
-PTF Control Software
-PTQ Control Software
-PTR Control Software
-RPT Control Software
-SCO Control Software
-SFA Control Software
-SMB Control Software
-TEC Control Software
-TEI Control Software
-TIH Control Software
-TIQ Control Software
-VTV Control Software
-XMC Control Software
-XSC Control Software
Electrical Connectors, Wiring Harnesses, and Components
-Electrical Connectors, Wiring Harnesses, and Components – General Information
-Summary of Electrical Components and Harnesses
-Electrical Components – Assemblies
-Electrical Components – Sensors
-Electrical Components – Various Devices and Equipment
-Electrical Components – Fuses, Relays, and Diodes
-Electrical Components – Power Supply and Alternator
-Electrical Components – Control and Signal Devices
-Electrical Components – Electrical Motors
-Electrical Components – Resistors
-Electrical Components – Switches
-Wiring Harnesses
-Connector
-Ground Points
-Electrical Components – Solenoid Valves and Solenoids
-Electrical Components – Other
Drive Train (without Transmission)
-Drive Train (without Transmission) – Operational Checks
-Drive Train (without Transmission) – Theory of Operation
-Drive Train (without Transmission) – Tests and Adjustments
–PowrQuad Transmission
-PowrQuad Transmission – General Information
-PowrQuad Transmission – Operational Checks
-PowrQuad Transmission – Theory of Operation
-PowrQuad Transmission – Schematics
-PowrQuad Transmission – Tests and Adjustments
Drive Train – Component Information
-Drive Train (without Transmission) – Component Information
-PowrQuad Transmission – Component Information
Steering
-Steering – General Information
-Steering – Operational Checks
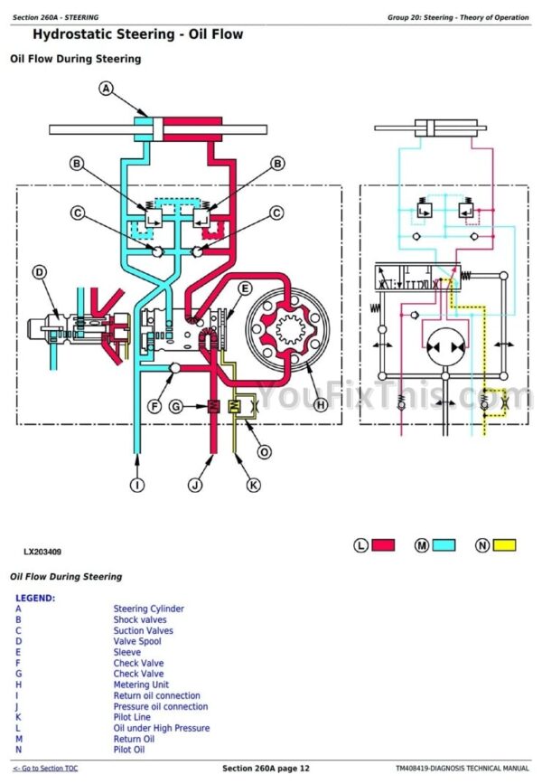
-Steering – Theory of Operation
-Steering – Schematics
-Steering – Tests and Adjustments
Brakes
-Brakes – General Information
-Brakes – Operational Checks
-Brakes – Theory of Operation
-Brakes – Schematics
-Brakes – Tests and Adjustments
Steering and Brakes – Component Information
-Steering – Component Information
-Brakes – Component Information
Hydraulic System
-Hydraulic System – General Information
-Hydraulic System – Operational Checks
-Hydraulic System – Theory of Operation
-Oil Filter, Additional Oil Reservoir, Charge Pump and Hydraulic Pump – Theory of Operation
-Rear Hitch – Theory of Operation
-Front Hitch – Theory of Operation
-Selective Control Valves (SCVs) – Theory of Operation
-Independent Control Valves (ICVs) – Theory of Operation
-Hydraulic System – Schematics
-Hydraulic System Tests and Adjustments
Hydraulic System – Component Information
-Hydraulic System – Component Information
Machine-Specific Systems
-Machine-Specific Systems – Operational Checks
-Machine-Specific Systems – Tests and Adjustments
Suspension Systems
-Suspension Systems – Operational Checks
-Suspended Front-Wheel Drive Axle – Theory of Operation
-Mechanical Cab Suspension – Theory of Operation
-Suspended Front-Wheel Drive Axle – Schematics
-Suspended Front-Wheel Drive Axle – Tests and Adjustments
-Mechanical Cab Suspension – Tests and Adjustments
Suspension Systems – Component Information
-Suspended Front-Wheel Drive Axle – Component Information
-Mechanical Cab Suspension – Component Information
Operators Cab
-Operators Cab – Operational Checks
-Operators Cab – Theory of Operation
-Operators Cab – Tests and Adjustments
Operators Cab – Component Information
-Air Conditioning System – Component Information
Special Tools
-General Information









